Log in om de coördinaten te kunnen zien.
36x Gevonden
0x Niet gevonden
4 Opmerkingen
3 Volgers
Beoordeeld als: uitstekend
16 x Aanbevolen
Cache attributen
Beschrijving
PL
Założenie skrytki wymaga wysiłku, poświęć 10 minut na dokładne przeczytanie opisu - to pomaga w utrzymaniu kesza. Unikaj zamoczenia logbooka! Wilgotny a zamknięty w hermetycznym pojemniku, ulegnie sparszywieniu.
Nie zabieraj kesza (nie kradnij).
Do dziś pamiętam, gdy jako młody chłopiec, uzbrojony w wiertarkę i lutownicę, ku zgrozie moich rodziców „zdemolowałem” biurko, by założyć na jego drzwiach elektroniczny zamek szyfrowy. Bardzo drogi dedykowany układ został uszkodzony, więc użyłem UCY 7400.
To skrytka poświęcona dinozaurowi techniki cyfrowej – układowi 7400. Nie, niczego się nie bój i w żadnym wypadku nie przerywaj lektury! To nie będzie drętwa skrytka dla wybranych specjalistów. Wszystkie moje kesze (mam nadzieję w strawny sposób) przybliżają Wam wybrane zagadnienia z różnych interesujących mnie dziedzin. Postaram się nie przynudzać :)
Wyobraźcie sobie, że pierwsze układy tego typu powstały w latach 60-ych. Do dzisiaj można kupić ich odpowiedniki wykonane w innych niż oryginalne technologiach. To były czasy, gdzie nikomu się nie śniły układy programowalne. Układ 7400 potrafi wykonać tylko jedną! operację logiczną, choć jakby pokombinować to trochę więcej :). Ta skrytka bazuje właśnie na „logice” zaszytej we wnętrzu naszego bohatera. Przyjrzyjmy się co w jego środku piszczy...


Zauważ, że układ ma cztery identyczne moduły potrafiące wykonywać pewne operacje. Na przykładzie jednego z nich widzimy, że wyprowadzenia 1 i 2 to są wejścia a wyprowadzenie 3 jest wyjściem z takiego modułu.
Oczywiście, każdy z takich modułów jest wykonany z wielu innych elementów elektronicznych a że te wszystkie zostały zamknięte (scalone) w jednej obudowie mówimy o układzie scalonym (bohater na zdjęciu). Każdy z takich modułów jest „bramką logiczną”. A co to takiego?
Zróbmy prosty eksperyment.
Przygotuj garnek z wrzątkiem. Teraz Twoje dwie dłonie są wejściami a usta wyjściem. Zadajmy sobie pytanie i sprawdźmy co się stanie gdy:
1. Obie dłonie są poza garnkiem
2. Zanurzasz Prawą dłoń we wrzątku
3. Zanurzasz Lewą dłoń we wrzątku
4. Zanurzasz obie dłonie we wrzątku
Umawiamy się, że na wejściach podanie sygnału = „zanurzenie” oznaczamy 1 lub T (True=prawda) a brak sygnału = "brak zanurzenia" to 0 lub F (False=fałsz).
Odpowiednio na wyjściu: obecność sygnału= „krzyczę” oznaczamy jako 1 a brak sygału=„nie krzyczę” jako 0
Oto wyniki mojego eksperymentu:
1. Obie dłonie są poza garnkiem L=0 i P=0 => nie krzyczę=0
2. Zanurzam Prawą dłoń we wrzątku L=0 i P=1 => krzyczę=1
3. Zanurzam Lewą dłoń we wrzątku L=1 i P=0 => krzyczę=1
4. Zanurzam obie dłonie we wrzątku L=1 i P=1 => krzyczę=1 (tylko że głośniej)

Ile razy powtórzyłem ten eksperyment, zawsze wynik był taki sam. Działam jak bramka logiczna OR (lub) w układzie scalonym. Chcesz, poczytaj o bramkach logicznych.
7400 ma w sobie 4 bramki NAND. Na nóżki bramek podajemy sygnał (1) lub go nie podajemy (0) i wtedy na wyjściu bramek mamy sygnał (1) lub go nie mamy (0) zgodnie z poniższą tabelką.


Szukając analogii do podanego eksperymentu, krzyczę w każdym przypadku za wyjątkiem tego, gdy… obie dłonie mam zanurzone we wrzątku. Nie ważne czy mnie boli, taka umowa NAND hehe.
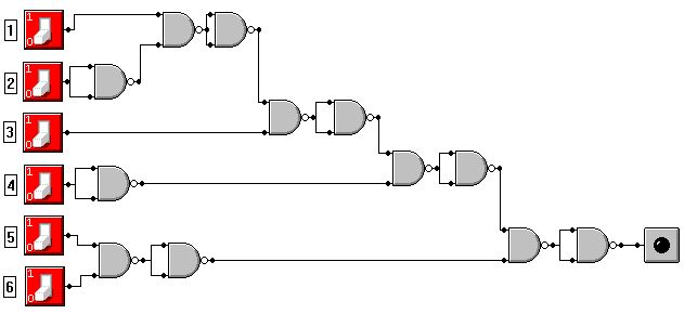
Specjalnie dla Ciebie zbudowałem układ jak niżej na zdjęciu. Bez ściemy, na 3x 7400 ;)

Jego schemat blokowy przedstawiam poniżej.
Za pomocą przełączników (od 1 do 6) możesz podawać na bramki sygnał 1 lub 0. Przełącznik 7 służy do włączania/wyłączania układu. Twoje zadanie polega na zapaleniu (zmianie koloru świecenia) diody (wtedy dochodzi do niej 1). To jest możliwe tylko dla jednej sekwencji ułożenia przełączników.
Jak widzisz, moje kesze nie mają nikogo "zaginać" - mają zainteresować i przybliżać pewne zagadnienia. Dlatego schemat przedstawiam już teraz.

Gdy podniesiesz DIP7, włączysz układ i dioda zaświeci się na zielono. Teraz możesz ustawiać pozostałe przełączniki. Po zabawie koniecznie wyłącz układ (zostaw jak pokazuje zdjęcie powyżej) bo bateria się rozładuje.
Zasobnik z zabawką i logbookiem ukryłem pod mostem. Pomalowany na czarno, siedzi we wnęce. Aby łatwo go było wyciągnąć, przywiązałem zasobnik na sznurku. Malutki ogonek wystaje na zewnątrz.

Prośba o takie same odłożenie: w palcach trzymasz ogonek -> kładziesz pudełko na półce -> pchasz w kierunku ściany.
Zagadka rozwiązana? Teraz uzyskaj hasło do logu:
Odpowiednio ustaw przełączniki aby uzyskać zmianę koloru diody - w ten sposób sprawdzisz twoje rozwiązanie. Na urządzeniu będzie naklejka z literami. Przepisz DUZYMILITERAMIBEZSPACJI kolejno te, przy których przełączniki ułożyły się na dole. To twoje hasło.
Urządzenie zasilane wewnętrzną baterią, daj znać jeśli nie wystartuje - wymienię ją.
Powodzenia,
lukuj
Logs:
36x
0x
4x